Produits composites
Raccords courbés thermiques
Brides en acier
Télécharger des dossiers
Brides soudées de cou
Brides soudées de connexion
Brides filetées
Brides soudées plates
Brides à orifice
Brides aveugles
Brides de long cou
Composants de tuyauterie sous
Produits anti-corrosion
Tuyaux isolants
Tuyaux
Robot
Brides à orifice
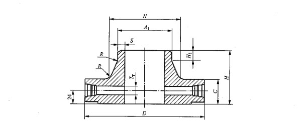
Bride de plaque d’orifice
Critère:HG/T20592~20635-2009、ASME B16.36Matériau : acier inoxydable,acier allié,acier de carbone cier biphasé super acier biphasé,alliage à base de nickel etc..
Pression nominale :PN10-PN160
Spécification : DN25-DN600(1”-24”)
Details
Prendre ébauche forgé comme matière première,notre bride manufacture par processus usinage.largement d’appliqué dans l’industrie de pétrilier et gaz nature,travaux de fournir de l’eau et chimique.


